ダイドーハント daidohant
ダイドーハント VP 軸細コーススレッド フレキ頭 3.8x75 (43本入) 10174025
10174025
頭部下のフレキ加工で木材を切削し、頭浮きを防ぎます。
通常価格 ¥242(税別)
JAN:4962123740255 
○通常3〜6営業日以内にお届け 

 数量

■頭部下のフレキ加工で木材を切削し、頭浮きを防ぎます。
■軸が細く、先端足割れ加工のため木割れしにくいです。

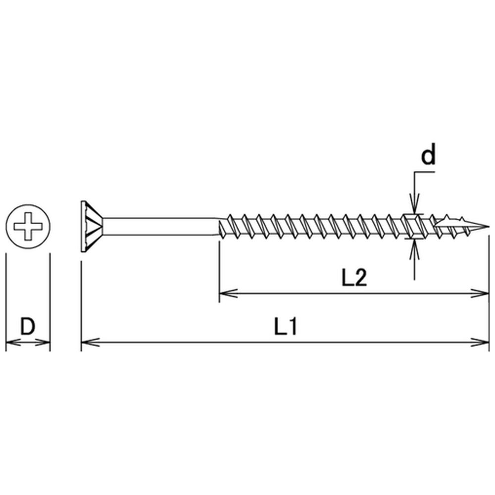
【仕様】
・寸法(mm)d: 3.8
・全長(mm): 75
・ねじ部長さ(mm): 54
・タイプ(全ねじ/半ねじ): 半ネジ
・頭部径dk(mm): 7
・パック入数(本): 43

【材質/仕上】
・スチール
・クロメート


商品スペック
メーカー希望
小売り価格(税別)
オープン