ダイドーハント daidohant
ダイドーハント SP ステンレス(SUS410) 軸細コーススレッド フレキ頭 3.8x65 (180本入) 46907
46907
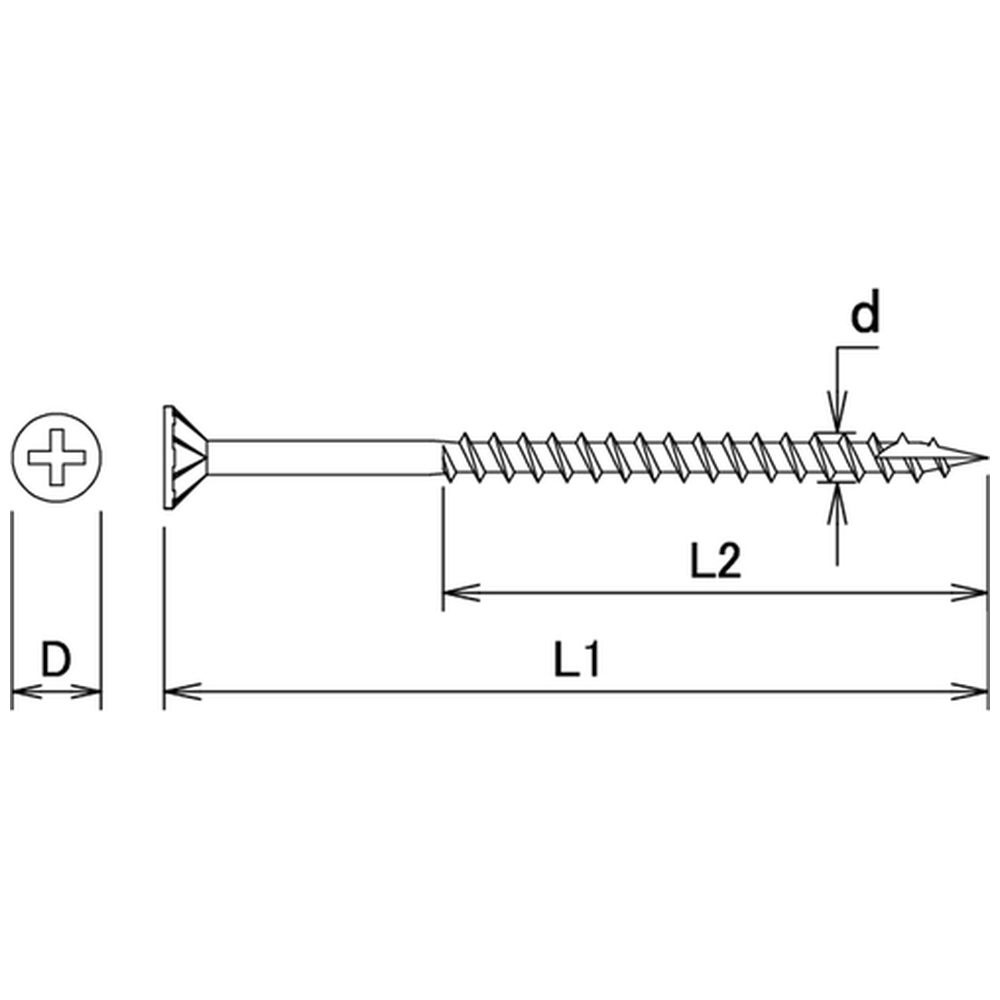
頭部下のフレキ加工で木材を切削し、頭浮きを防ぎます。
通常価格 ¥1,482(税別)
JAN:4962123469071 
お取り寄せ 
5月上旬以降出荷予定
「ご注文時の状況によりお届けまでに平常時よりも長い期間を要する場合がございます。お急ぎの場合は営業担当者へお問い合わせください。」

 数量

■頭部下のフレキ加工で木材を切削し、頭浮きを防ぎます。
■マルテンサイト系ステンレス(SUS410)で高強度のコーススレッドです。

【用途】
・サビにくく、屋外や水廻りの施行に。

【仕様】
・寸法(mm)d: 3.8
・全長(mm): 65
・ねじ部長さ(mm): 44
・タイプ(全ねじ/半ねじ): 半ネジ
・頭部径dk(mm): 7

【材質/仕上】
・ステンレス(SUS410)
・パシペート


商品スペック
メーカー希望
小売り価格(税別)
オープン