サンコーインダストリー SUNCO
SUNCO SUSトラス脱落防止ビス 5×16×6 (100本入) 00-02-J053-0050X0160-00
0002J0530050016000
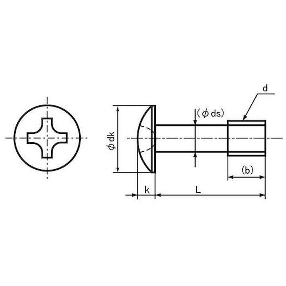
胴部がねじ部より細く、ねじ穴に引っかかるため、ねじが脱落しません。
通常価格 ¥4,200(税別)
JAN:4549638416716 
△通常8〜13営業日以内にお届け 

 数量

■胴部がねじ部より細く、ねじ穴に引っかかるため、ねじが脱落しません。
■カバー取り外しなどの時にねじの脱落防止を防止できます。

【用途】
・機器・装置などの保護カバーや点検カバーの固定に。
・カバー取り外し時のねじの脱落防止に。

【仕様】
・寸法(mm)d: M5
・寸法(mm)L: 16
・ねじピッチ(mm): 0.8
・適合ドライバー: プラス No.2
・頭部径(mm): 11.8
・頭部厚さ(mm): 3.1
・ねじ部長さ(mm): 6
・胴部径(mm): 3.8

【材質/仕上】
・ステンレス(SUS303、SUS304、SUSXM7等)


商品スペック
メーカー希望
小売り価格(税別)
オープン