サンコーインダストリー SUNCO
SUNCO SUSナベ小脱落防止ビス 3×10×4 (100本入) 00-02-J050-0030X0100-00
0002J0500030010000
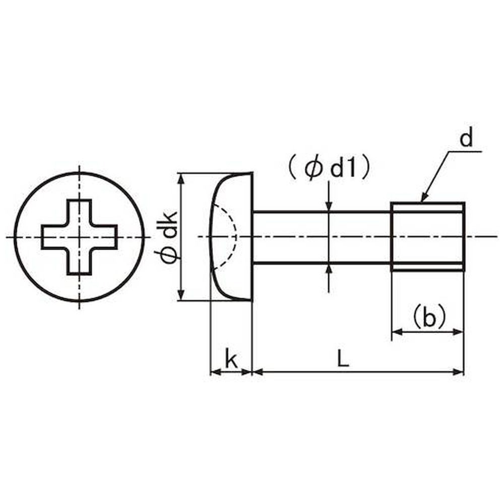
胴部がねじ部より細く、ねじ穴に引っかかるため、ねじが脱落しません。
通常価格 ¥3,910(税別)
JAN:4549638416525 
お取り寄せ 
1月上旬以降出荷予定
「ご注文時の状況によりお届けまでに平常時よりも長い期間を要する場合がございます。お急ぎの場合は営業担当者へお問い合わせください。」

 数量

■胴部がねじ部より細く、ねじ穴に引っかかるため、ねじが脱落しません。
■カバー取り外しなどの時にねじの脱落防止を防止できます。

【用途】
・機器・装置などの保護カバーや点検カバーの固定に。
・カバー取り外し時のねじの脱落防止に。

【仕様】
・寸法(mm)d: M3
・寸法(mm)L: 10
・ねじピッチ(mm): 0.5
・適合ドライバー: プラス No.2
・頭部径(mm): 5.5
・頭部厚さ(mm): 2
・ねじ部長さ(mm): 4
・胴部径(mm): 2.2
・強度区分: A2-50相当

【材質/仕上】
・ステンレス(SUS303、SUS304、SUSXM7等)


商品スペック
メーカー希望
小売り価格(税別)
オープン