SANEI サンエイ
SANEI 防臭キャップ PH72-840
PH72840
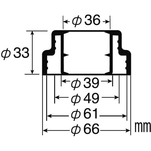
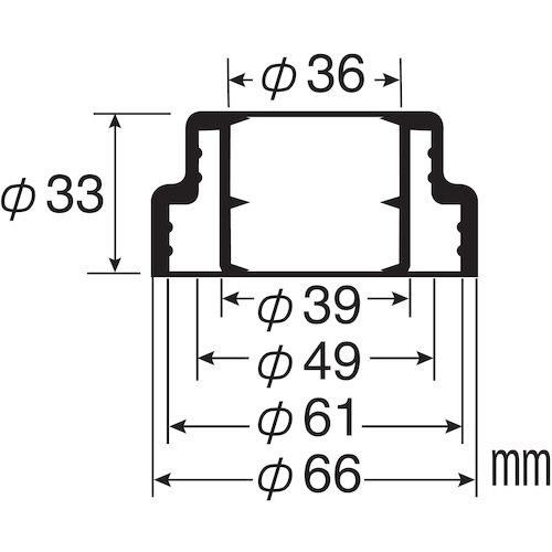
32mmの直管・ジャバラホースに使用できます。
通常価格 ¥419(税別)
JAN:4973987570193 
お取り寄せ 
「ご注文時の状況によりお届けまでに平常時よりも長い期間を要する場合がございます。お急ぎの場合は営業担当者へお問い合わせください。」

 数量

■32mmの直管・ジャバラホースに使用できます。
■ホースに密着して臭いの漏れを防ぎます。

【用途】
・臭気止め、防虫。

【仕様】
・外径(mm): 66
・高さ(mm): 33
・VP・VU管兼用(パイプ呼び40、50)
・使用温度: 60℃以下

【材質/仕上】
・EPDM樹脂


商品スペック
メーカー希望
小売り価格(税別)
オープン