PEWAG
スリングチェーン クォード(アイタイプ) QE2
035ZPQE2166
ウィナー・グレード10を使用した4本吊り用チェーンスリングです。
通常価格 ¥503,328(税別)
JAN:4510850582121 
お取り寄せ 
5月中旬以降出荷予定
「ご注文時の状況によりお届けまでに平常時よりも長い期間を要する場合がございます。お急ぎの場合は営業担当者へお問い合わせください。」

 数量

■ウィナー・グレード10を使用した4本吊り用チェーンスリングです。
■摩耗に強く、長期間使用可能です。 
■日常点検、年間定期点検が容易に行えます。

【仕様】
・基本使用荷重(t): 20.8
・チェーン線径(mm): 16
・有効長l(m): 6
・使用チェーン破断応力(N/[MM2]): 1000
・ASTM973/A973M-01に基づいたチェーンを使用。
・使用荷重を記入したタグ付き。

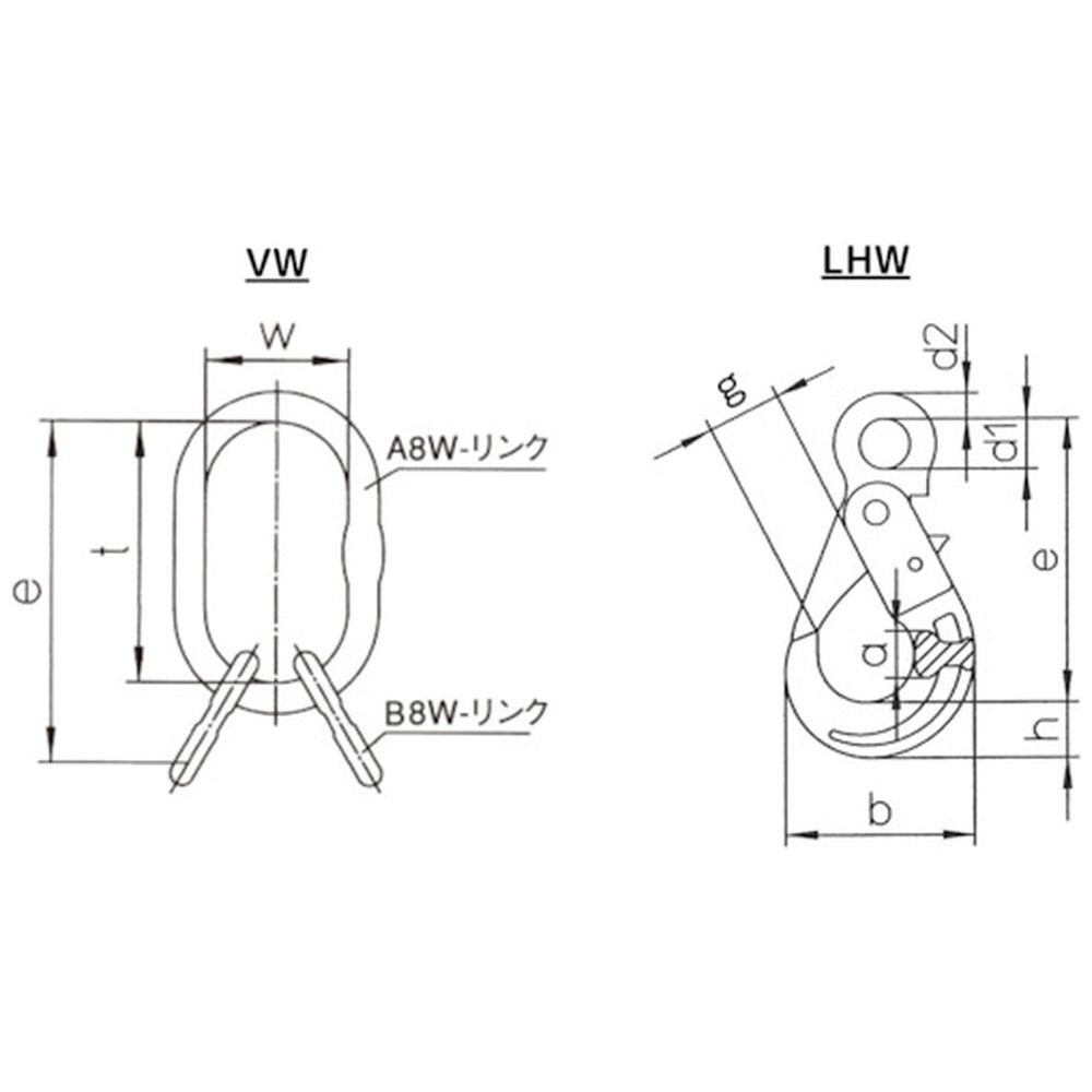
【セット内容/付属品】
・マスターリング: VW16
・フック: LHW16
・チェーン: ウィナー・グレード10 16mm


商品スペック
メーカー希望
小売り価格(税別)
オープン