STAHLWILLE
1/4SQ ヘクスローブソケット E8 40TX-E8
40TX-E8
高品質なHPQシリーズの1/4SQヘクスローブソケット(E型)。
通常価格 ¥2,228(税別)
JAN:4018754000975 
通常5〜8営業日以内にお届け 

 数量

●高品質なHPQシリーズの1/4SQヘクスローブソケット(E型)。

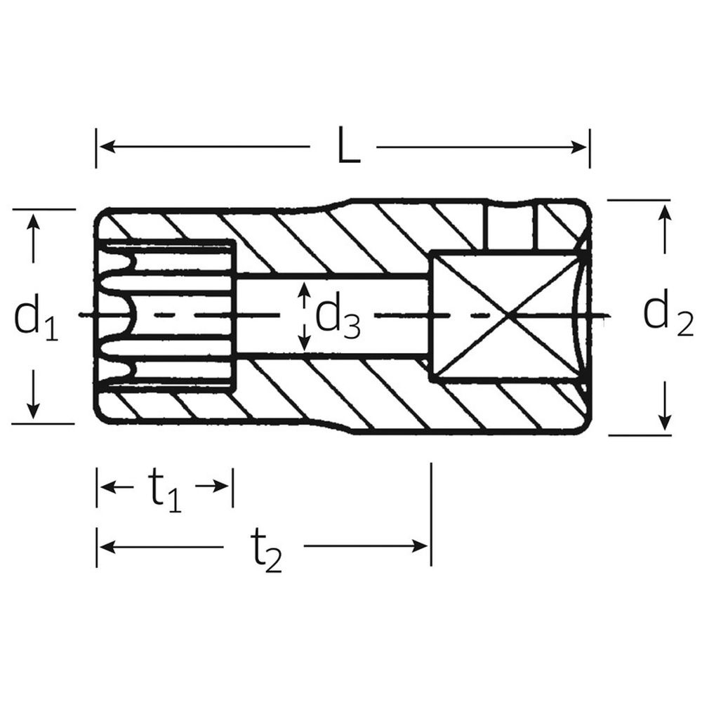
●差込角(SQ;inch):1/4
●サイズ:E8
●全長(L;mm):23
●先端内形寸法(mm):7.5
●ソケット部外径(d1;mm):10.5
●差し込み部外径(d2;mm):11.6
●ソケット中間空洞部内径(d3;mm):4.3
●ボルト接触部内面奥行き(t1;mm):7
●最大奥行き(t2;mm):15
●質量(g):10
●適合ねじサイズ:M6-7

商品スペック
メーカー希望
小売り価格(税別)
オープン